[the return of the] blackdeath noise synth
![]() |
![]() |
And this is the reason why it is impossible in a visitation to prevent the spreading of the plague by the utmost human vigilance: viz., that it is impossible to know the infected people from the sound, or that the infected people should perfectly know themselves.
[Daniel DeFoe. Journal of the Plague Year]
Inspired in part by Leif Elggren's Virulent Images/Virulent Sound (if images can be virulent, can sound be virulent too?), blackdeath is the first open hardware/free software noise synthesiser with the plague inside.
Embedding epidemic and plague simulations amongst other data generation algorithms for granular re-synthesis of incoming audio signals or self-generated feedback, blackdeath represents a virulent yet highly controllable noise/audio engine with built-in, switchable distortion.
Alternatively you can abandon the plague carrier and code your own sampling software to make use of resident 512 Kb RAM (64 seconds of audio sampled at 8000 samples per second), 8 bit DAC (Digital Analogue Convertor), and digital switched distortion(s). A prototype area is provided to design, test and run your own distortion designs.
blackdeath is delivered custom cased and fully assembled, and features high quality ALPS potentiometers, BOSS style 9v power socket (+9v/positive on the outside, negative centre, minimum 200mA), and full size (6.5mm) JACK input and output sockets. The sheer, black design follows John Dee's Sigillum DEI, according to the instructions of the Angels given in Mysteriorum Liber Secundus.
This latest cased blackdeath is a strictly limited edition of 10, combining worm code (see below) with original blackdeath code. Simply switch between them.
Price: 245 euros with free, tracked shipping worldwide. SOLD OUT.
Wormcode
I am your Rational Power O Albion & that Human Form You call Divine, is but a Worm seventy inches long That creeps forth in a night & is dried in the morning sun
[William Blake]
Wormcode is the latest blackdeath code iteration, offering a writhing, decidedly cut-up approach to contagion, sampling and feedback. Wormcode also increases the sampling time to around 40 seconds.
The controls have been changed as follows:
- Top mid: Action on writehead.
- Top left: Select write mode and scaling.
- Top right: Select read mode and scaling.
- Lower left: Write mode modifiers
- Lower right: Read mode modifiers
- Lower mid: Action on readhead.
Wormcode was available in a limited (numbered) edition of twenty. Note: Wormcode edition is now sold out. See below
Code: https://github.com/microresearch/blackdeath/blob/master/bdwormcode.c
Reviews
Blackdeath Noise Synth, sounds from the plague in neural.it april 2012
The input sound loses its sonic identity, and becomes just another parameter that influences the interaction among the individuals of the bacterial colony, creating ever-changing noise textures. The resulting sound is wild and evil, thanks also to the continuous clipping and aliasing, and the algorithms can be expanded by users who want to delve into the C source code.
Samples
Recording (line out from device to laptop) using the blackdeath in no_input mode, with or without distortion, and sometimes with coil amp input!
Video
[blackdeath with no_input]
[blackdeath with input]
Layout and controls
The design follows John Dee's Sigillum DEI, according to the instructions of the Angels given in Mysteriorum Liber Secundus.
Rough guide
The blackdeath runs from a BOSS style 9v power supply; with +9V on the outside of the plug. The power switch is located near the power supply socket. The two other switches control feedback and distortion. The feedback switch (top left) switches the output back into the input, for a no-input configuration; in this case no input need/should be attached. The top right distortion switch determines whether the output is passed through the distortion.
Starting with the central top knob this determines the data generation algorithm (datagen) in use; it's simply selecting between certain mathematical plague simulations, or the BF interpreter, or a model of orbits, or cellular automata. The centre lower knob adjusts parameters of these data generation algorithms (stepping size, speed and so on).
But the datagens only effect things when selected by either the top left or top right knobs which function as writehead selector and readhead selector respectively. The writehead selector selects processes such as the datagens which are applied to determine where the sample is written to in the buffer (depending also on the start/end sample points set by the bottom left and right knobs). The readhead selector functions for the location where the sample is read from. So with both left and right set to 0 (far left) we write and read to a simple counting location which means that nothing changes - we just hear the sampling live. But if we change either/both left and right things become quite interesting with granulation!
Hardware
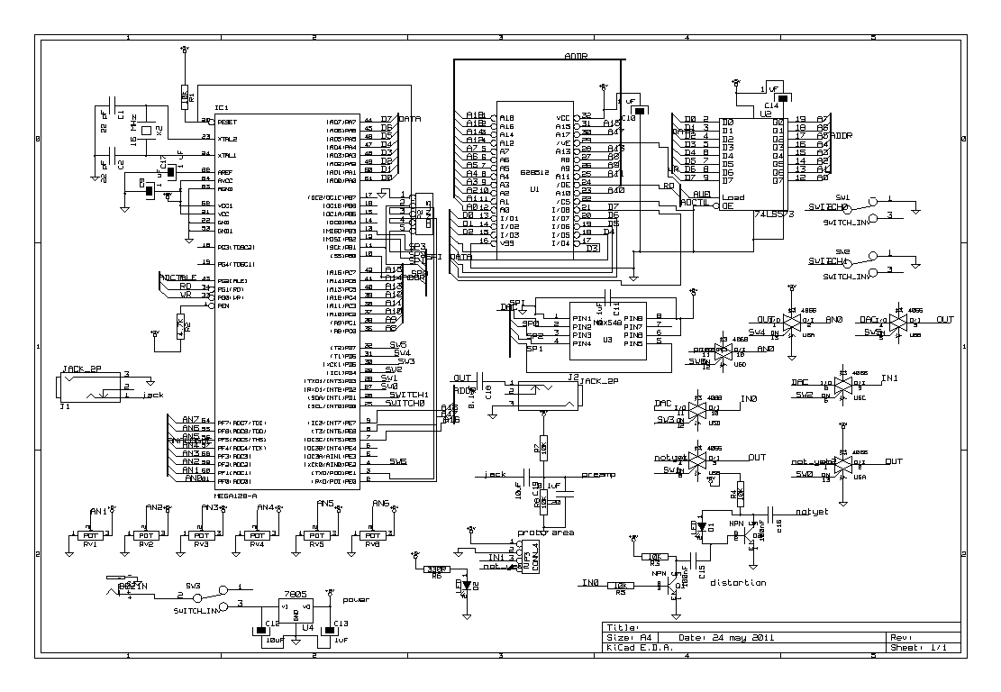
Schematic and design
The schematic and PCB design (all licensed under the GPL) are available from: https://github.com/microresearch/blackdeath
Parts List
- 1x blackdeath PCB
- 2x 22pF capacitor SMD 0805
- 5x 100nF capacitor SMD 0805
- 7x 1uF capacitor SMD 1206
- 1x 4.7K resistor SMD 0805
- 6x 10K resistor SMD 0805
- 1x 330R resistor SMD 0805
- 1x 16 MHz XTAL HC49 SMD
- 1x AVR ATmega128-16
- 2x 4066 SMD
- 1x 628512-55 M (512Kx8) RAM SMD
- 1x 74LS573 SMD
- 1x 7805 voltage regulator TO-220
- 1x MAX549A (note - all PCBs sold before 1 May 2012 use the MAX548 instead)
- 2x 2n3904 NPN transistors SOT-23 (Segor)
- 2x red LEDs SMD 0805
- 6x ALPS 100K potentiometers (RK09K1130A5R(short) or RK09K1130A70(long))
- 2x Mono PCB or panel mount jack (6,35mm) (Banzai: Jack MO-PCB-NS)
- 1x BOSS style DC 2.1mm socket (Segor: DCBU 2,1-PR Mini)
- 5 pin SIL RM2,5 connector for programming
- 3x sliding switches (ALPS)
All parts were ordered from Reichelt, segor and banzai-music.
Parts placement
Software
Download the code from: https://github.com/microresearch/blackdeath
HOWTO customise
Programming
To program: attach a usbasp compatible In System Programmer (ISP) with a 5 pin programming adapter as detailed below, apply power to the Blackdeath, and from the blackdeath directory and simply run:
make fuse make flash
The connections to the programmer (left to right) are as follows:
1-GND, 2-SCK , 3-MISO , 4-MOSI , 5-RESET
More information about programmers can be found on this page: avr_resources
Extending
Using the prototype area - the 4x4 grid in the bottom right corner.
The top row of pins breaks out as follows (left to right):
1- +5V, 2- GND, 3- AUDIO from BD (DAC), 4- AUDIO OUT (to JACK)
A small circuit (for example, distortion) could be attached so that the signal input comes from pin 3 and the output to pin 4. The following software snippet enables the signal path for this circuit (and switches off straight out/distortion):
PORTD=(PORTD&0x43)+0x14;
This switches PORTD pins PD4 and PD2.
Contact
- m_at_1010.co.uk

